Product classification
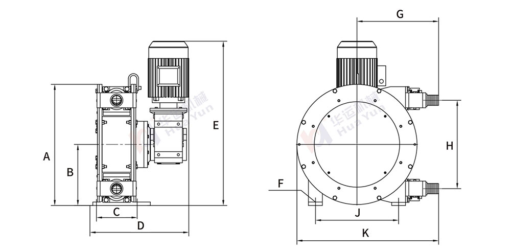
Product Parameters

Model |
A |
B |
C |
D |
E |
F |
G |
H |
J |
K |
Flange |
|||||||||||
IHP45Q |
524 |
264 |
176 |
428 |
710 |
Φ18 |
353 |
382 |
360 |
613 |
DN40/50 |
|||||||||||
IHP50Q |
656 |
331 |
206 |
507 |
889 |
Φ18 |
443 |
473 |
450 |
768 |
DN50 |
|||||||||||
Operation curve chart


Factory address:No.25, Jinhai Road, Shuangfeng Economic&
Development district,Hefei, Anhui,CN
Marketing&Sales office:Floor 13th , Meidi Yangguang mansion,
Jinzhai road, Hefei City.
Copyright 2018 Hefei Huayun Machinery Manufacturing Co., Ltd
*Part of the webpage materials and related resources on this site are from the Internet.
If there is any infringement, please inform us immediately and we will delete it within 24 hours*